Обновление ChipLoaderNG 3.7.0, подробнее тут: viewtopic.php?f=19&t=11442

ВАЗ 2114 Я7.2

Тюнинговые прошивки на различные авто

Модераторы: blistograd, chipsoft

viktor9950
Сообщения: 1580
Зарегистрирован: Вт апр 16, 2019 10:33 pm
Откуда: Россия

Re: ВАЗ 2114 Я7.2

Сообщение viktor9950 » Вс дек 22, 2019 10:31 pm

alex_ls писал(а):
Вс дек 22, 2019 10:24 pm
viktor9950 писал(а):
Вс дек 22, 2019 10:15 pm
alex_ls писал(а):
Вс дек 22, 2019 9:54 pm
Разве что на словах. Резисторы на фото справа от микросхемы, верхний отсутствующий, его левый вывод, к нему анод первого диода, катод этого диода к правому выводу или второго резистора или четвертого, не помню кто из них за какой канал отвечает. Также левый вывод третьего резистора через диод на другой резюк
На фото покажи которое я выложил. Красным отметь направления и человеку будет достаточно
С телефона не могу нарисовать, возле компа буду завтра утром
Понял. Будем ждать интересно )

Аватара пользователя
injektor
Сообщения: 703
Зарегистрирован: Пн июн 09, 2008 6:06 pm
Откуда: UA, Александрия

Re: ВАЗ 2114 Я7.2

Сообщение injektor » Пн дек 23, 2019 12:29 am

Вы предлагаете сделать так:
Вложения
124__.jpg
Компьютерная диагностика, ремонт, чип-тюнинг. Изготовление, привязка чип-ключей и брелков к авто...
тел. 066 7763335

Аватара пользователя
injektor
Сообщения: 703
Зарегистрирован: Пн июн 09, 2008 6:06 pm
Откуда: UA, Александрия

Re: ВАЗ 2114 Я7.2

Сообщение injektor » Пн дек 23, 2019 12:29 am

Да в принципе будет работать. И подтяжка на массу будет для четкого закрытия ключа через резистор и через диод будет открываться ключ в нужный момент. Вот только еще два резистора слева от микросхемы для подтяжки поставить надо по 10кОм, а то работать не будет. Единственный момент смущает то что через диод, на прямую без резистора, будет подаваться напруга на затвор ключа. Не выведет ли это его со строя или на сколько долго он протянет в таком режиме.
Компьютерная диагностика, ремонт, чип-тюнинг. Изготовление, привязка чип-ключей и брелков к авто...
тел. 066 7763335

Аватара пользователя
injektor
Сообщения: 703
Зарегистрирован: Пн июн 09, 2008 6:06 pm
Откуда: UA, Александрия

Re: ВАЗ 2114 Я7.2

Сообщение injektor » Пн дек 23, 2019 12:30 am

Исходя со схемы:
Вложения
124.PNG
124.PNG (15.02 КБ) 8687 просмотров
Компьютерная диагностика, ремонт, чип-тюнинг. Изготовление, привязка чип-ключей и брелков к авто...
тел. 066 7763335

Аватара пользователя
injektor
Сообщения: 703
Зарегистрирован: Пн июн 09, 2008 6:06 pm
Откуда: UA, Александрия

Re: ВАЗ 2114 Я7.2

Сообщение injektor » Пн дек 23, 2019 12:30 am

предлагаю просто поставить две перемычки слева от микросхемы. Судя из того что входа подтянуты на +5В, через резисторы 10кОм, выхода процессора работают в режиме открытого колектора. Следовательно их можно закоротить. И все будет работать идеально в режиме 16кл двигателя с 8кл катушкой. Но этот вариант надо проверить насчет открытого коллектора, что б не сжечь проц. Выйду с понедельника на работу проверю. В самого в товарища катается 16кл двигатель с 8кл прошивкой из за катушки.
Компьютерная диагностика, ремонт, чип-тюнинг. Изготовление, привязка чип-ключей и брелков к авто...
тел. 066 7763335

Аватара пользователя
injektor
Сообщения: 703
Зарегистрирован: Пн июн 09, 2008 6:06 pm
Откуда: UA, Александрия

Re: ВАЗ 2114 Я7.2

Сообщение injektor » Пн дек 23, 2019 12:32 am

получится дешево и серито, вот так:
какую куда перемычку кидать надо уточнить.
Вложения
124_.jpg
Компьютерная диагностика, ремонт, чип-тюнинг. Изготовление, привязка чип-ключей и брелков к авто...
тел. 066 7763335

alex_ls
Сообщения: 509
Зарегистрирован: Ср май 20, 2009 9:22 pm
Откуда: Запорожье

Re: ВАЗ 2114 Я7.2

Сообщение alex_ls » Пн дек 23, 2019 12:47 am

Не думаю что порты у проца с открытым коллектором, поэтому перемычки по входу не есть гуд. Поэтому в моем варианте я и не говорил что надо добавлять резюки по входу, хотя не помешают. А диоды, да вы нарисовали верно. По поводу того что на затвор будет поступать импульс амплитудой 4,4в , так для мосфета это абсолютно не страшно.
autochip.zp.ua

Аватара пользователя
injektor
Сообщения: 703
Зарегистрирован: Пн июн 09, 2008 6:06 pm
Откуда: UA, Александрия

Re: ВАЗ 2114 Я7.2

Сообщение injektor » Пн дек 23, 2019 12:51 am

Я не проверял, но мне говорили, что без резисторов работать не будет. А если без них не работает значит там открытый коллектор. С понедельника все перепроверю. Отпишусь.
Компьютерная диагностика, ремонт, чип-тюнинг. Изготовление, привязка чип-ключей и брелков к авто...
тел. 066 7763335

alex_ls
Сообщения: 509
Зарегистрирован: Ср май 20, 2009 9:22 pm
Откуда: Запорожье

Re: ВАЗ 2114 Я7.2

Сообщение alex_ls » Пн дек 23, 2019 12:53 am

Но если выходы действительно открытые, то да перемычки проще. Просто я рассказал, как когда то делал сам лично, на калине, хотя уже и не помню может действительно и резюки на входе добавлял, но вариант с диодами 100% рабочий!!!!
autochip.zp.ua

Аватара пользователя
injektor
Сообщения: 703
Зарегистрирован: Пн июн 09, 2008 6:06 pm
Откуда: UA, Александрия

Re: ВАЗ 2114 Я7.2

Сообщение injektor » Пн дек 23, 2019 1:03 am

Да согласен, и судя со схемы внутри транзистора(ключа) стоят свои резисторы для закрытия и ограничения. И даже есть схема с диодом. Так что можно смело лепить на диодах. А свой вариант я проверю, отпишусь.
Последний раз редактировалось injektor Пн дек 23, 2019 3:12 am, всего редактировалось 1 раз.
Компьютерная диагностика, ремонт, чип-тюнинг. Изготовление, привязка чип-ключей и брелков к авто...
тел. 066 7763335

viktor9950
Сообщения: 1580
Зарегистрирован: Вт апр 16, 2019 10:33 pm
Откуда: Россия

Re: ВАЗ 2114 Я7.2

Сообщение viktor9950 » Пн дек 23, 2019 1:09 am

Ребята! Нарисуйте по красивее и подпишите маркировку

Аватара пользователя
injektor
Сообщения: 703
Зарегистрирован: Пн июн 09, 2008 6:06 pm
Откуда: UA, Александрия

Re: ВАЗ 2114 Я7.2

Сообщение injektor » Пн дек 23, 2019 1:31 am

Вы что прикалываетесь. Я рисовал на базе вашей же первой картинки. И там все понятно, два диода и два резистора и все. Резисторы слева от микросхемы, диоды справа. Моя самая первая картинка на этой странице. И так и делайте. С диодами будет надежнее, то есть безопаснее, наверняка будет работать. Тем более проверено.
И если не сложно, удалите пож. свои две картинки, заняли пол страницы. А номиналы все ж в теме есть. Прочтите повнимательнее.
Компьютерная диагностика, ремонт, чип-тюнинг. Изготовление, привязка чип-ключей и брелков к авто...
тел. 066 7763335

Аватара пользователя
injektor
Сообщения: 703
Зарегистрирован: Пн июн 09, 2008 6:06 pm
Откуда: UA, Александрия

Re: ВАЗ 2114 Я7.2

Сообщение injektor » Пн дек 23, 2019 3:08 am

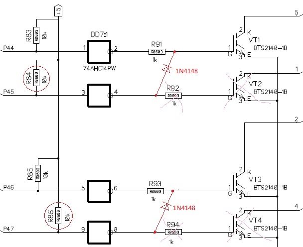
Вот. Обведенные резисторы и диоды впаять. Если искра не в такт поменять местами аноды или катоды на диодах.
Вложения
124.jpg
20191223_010413-min.jpg
Компьютерная диагностика, ремонт, чип-тюнинг. Изготовление, привязка чип-ключей и брелков к авто...
тел. 066 7763335

trenerzl
Сообщения: 461
Зарегистрирован: Ср фев 13, 2019 11:42 am
Откуда: Херсон

Re: ВАЗ 2114 Я7.2

Сообщение trenerzl » Пн дек 23, 2019 7:20 am

Спасибо всем, целый диспут получился )
А что то можно сделать с зажиганием если ставить в текущую конфигурацию эбу от 16v 126 мотора? С его январём потом буду экспериментировать.

alex_ls
Сообщения: 509
Зарегистрирован: Ср май 20, 2009 9:22 pm
Откуда: Запорожье

Re: ВАЗ 2114 Я7.2

Сообщение alex_ls » Пн дек 23, 2019 8:33 am

Я же уже говорил, соедините выходы 1 и 4 цилиндра, и 2-3 . Читайте внимательно!!!
autochip.zp.ua

Ответить

Кто сейчас на конференции

Сейчас этот форум просматривают: нет зарегистрированных пользователей и 14 гостей