Обновление ChipLoaderNG 3.7.0, подробнее тут: viewtopic.php?f=19&t=11442
Не заводится ZXJN
Модераторы: blistograd, chipsoft, Robin, karlson
Не заводится ZXJN
Доброго всем времени суток.
Сегодня приехал Ланос с такой проблемой(приехал на блоке Кавут)-не заводится. Беру его его родной ЭБУ ZXJN,проверяю на столе-все работает:есть импульсы на катушку,на форсы,есть диагностика и тд.. Ставлю такой же свой,проверенный,подкидной-не заводится. Нету искры,хотя ЭБУ при прокрутке стартером обороты видит.Правда забыл проверить открываются ли форсунки(человек спешил),но думаю,что нет. Ставлю обратно Кавут-заводится,правда не с пол пинка,но все таки и работает "как часы".
Должен на днях приехать обратно,буду разбираться,но на данном этапе не пойму в чем дело...Подозрения на ДПКВ,но блок обороты видит и на Кавуте машина работает без вопросов.
Может кто чего подскажет.
Заранее спасибо.
Сегодня приехал Ланос с такой проблемой(приехал на блоке Кавут)-не заводится. Беру его его родной ЭБУ ZXJN,проверяю на столе-все работает:есть импульсы на катушку,на форсы,есть диагностика и тд.. Ставлю такой же свой,проверенный,подкидной-не заводится. Нету искры,хотя ЭБУ при прокрутке стартером обороты видит.Правда забыл проверить открываются ли форсунки(человек спешил),но думаю,что нет. Ставлю обратно Кавут-заводится,правда не с пол пинка,но все таки и работает "как часы".
Должен на днях приехать обратно,буду разбираться,но на данном этапе не пойму в чем дело...Подозрения на ДПКВ,но блок обороты видит и на Кавуте машина работает без вопросов.
Может кто чего подскажет.
Заранее спасибо.
Диагностика. Чип-тюнинг. Иммобилайзеры. Продажа и ремонт ЭБУ.
avd.in.ua 063 674 1040 (Viber)
avd.in.ua 063 674 1040 (Viber)
Здравствуйте AVD. Этот Ланос к Вам направил я (купить блок). Предистория такова: притащили машину после капиталки - не заводится.Но и до капиталки были подергивания, мог внезапно заглохнуть.
По сканеру обороты есть, сигнал на форсунки и МЗ по осцилографу присутствует. Искры нет. Подменный МЗ проблему не решил. При детальном рассмотрении импульсов управления МЗ увидел помеху на сигнале (зубчики). Похоже, ЭБУ кирдык. Ставлю Кавут, двигатель заводится. Значит ZXJN "сдох".Отправляю к Вам за блоком, т.к. Вы ближе всего территориально.
По сканеру обороты есть, сигнал на форсунки и МЗ по осцилографу присутствует. Искры нет. Подменный МЗ проблему не решил. При детальном рассмотрении импульсов управления МЗ увидел помеху на сигнале (зубчики). Похоже, ЭБУ кирдык. Ставлю Кавут, двигатель заводится. Значит ZXJN "сдох".Отправляю к Вам за блоком, т.к. Вы ближе всего территориально.
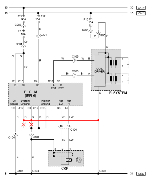
После Вас клиент еще в двух местах пробовал ставить заведомо исправные блоки - двигатель работает только на Кавуте. За прошедшее время опять был ремонт двигателя - лопнула пружина клапана. Взял машину в работу с целью выяснить, чем же Кавут отличается от ZXJN. Забыл сказать: иногда с блоком GM проскакивала искра, пару раз двигатель работал несколько секунд. После записи и анализа осциллограм питания и масс ЭБУ, МЗ и сигналов датчиков таки увидел дефект. На скрине сигналы с выводов МЗ: A,B - управление, C - масса, D - питание. Когда появлялась искра - была просадка питания (D), в выделеных "овалах" искры (просадки питания) нет, но появляется помеха (неконтакт) по массе и "зубчики" на управляющем сигнале. Провод массы МЗ, как известно, находится кронштейну на коробке. Мотористы забывают его прикручивать, но здесь все затянуто намертво. Разве что сам кронштейн очень ржавый. Продублировал массу на блок цилиндров и двигатель уверенно заработал на ZXJN. 

Но почему же на Кавуте эта перемычка не нужна и вообще при чем здесь масса МЗ? По схеме массы блока соединены вместе и выходят в точку G104, масса МЗ крепиться на G105. На самом деле в проводке к точке G104 подключены только массы ключей форсунок (контакты C12, C13). А массы датчиков (контакты A12, D1) выведены к точке G105, там же подключена масса МЗ. А теперь самое главное: в Кавуте все эти массовые выводы "звоняться" между собой, а в блоке GM между массами форсунок и системными массами соединения нет. Модуль зажигания получал "минус" через блок Кавут.
Вы же сами это написали,а теперь пишете что масса шла через кавут,так через что идет масса на МЗ,через блок или кронштейн,и что еще за массы форсунок?andr9621 писал(а): Провод массы МЗ, как известно, находится кронштейну на коробке. Мотористы забывают его прикручивать, но здесь все затянуто намертво. Разве что сам кронштейн очень ржавый. Продублировал массу на блок цилиндров и двигатель уверенно заработал на ZXJN.
У меня просто не было времени с ним поработать. Он приехал,я ему подкинул ZXJN и машинка даже завелась,но тут же заглохла.
Проверил-нету искры. Взял его блок и проверил на "столе"-работает без вопросов. Ставлю на авто,завожу-опять вспышка и ничего.
При прокрутке стартером блок обороты видит,форсы работают,а искры нету...
Я так и подумал,что дело где то в массах,но человек спешил на работу и я просто не успел все проверить...
Вывод-подкидной блок должен быть Кавут.

Проверил-нету искры. Взял его блок и проверил на "столе"-работает без вопросов. Ставлю на авто,завожу-опять вспышка и ничего.
При прокрутке стартером блок обороты видит,форсы работают,а искры нету...
Я так и подумал,что дело где то в массах,но человек спешил на работу и я просто не успел все проверить...
Вывод-подкидной блок должен быть Кавут.
Диагностика. Чип-тюнинг. Иммобилайзеры. Продажа и ремонт ЭБУ.
avd.in.ua 063 674 1040 (Viber)
avd.in.ua 063 674 1040 (Viber)
Кто сейчас на конференции
Сейчас этот форум просматривают: нет зарегистрированных пользователей и 18 гостей
