Fiat doblo  1.9 JTD 2004 год, не запускается со слов владельца плохо стал запускаться. а потом заглох в движении при заезде в гараж.Нарыли они (владелец) ошибку по дпкв, заменили толку ноль.Приволокли ко мне проверить проводку дпкв, она оказалась чистая надежная и экранирована.Двигатель слегка подхватывает и глохнет, ошибки по дпкв нет, давление в рампе около 400 при прокрутке , прокрутку видит но как то рывками.Подсмотрел сигнал осцилографом и в момент подхватывания импульсы с дпкв идут( с перебоями) в момент когда схватывания нет, импульсы отсутствуют.Для эксперимента снимал разъемы с форсунок сигнала в момент прокрутки нет.Но когда разъемы одеты сигналы идут с дпкв, как так?
В первом вложении двигатель слегка на пол секунды запустился.
Задающий диск кое как через зеркало просмотрел, ничего криминального не заметил.Иммобилайзер не? Ключ примотан к антенне изолентой под кожухом руля.Хотя без ключа вспышек вообще нет.
							Обновление ChipLoaderNG 3.7.0, подробнее тут: viewtopic.php?f=19&t=11442
	Fiat doblo 1.9 JTD
Модераторы: blistograd, chipsoft, Robin, karlson
Re: Fiat doblo 1.9 JTD
А воздушный зазор на ДПКВ ? Было похожее на гольфе 1.9 , проточил датчик на 0.5 мм  , наверное ржавчина на посадочном месте увеличивает зазор, но туда тяжело добраться, проточил и всё наладилось, только датчик там был индукционный.
			
									
									мир!труд!май!июнь!июль!ОТПУСК!
						Re: Fiat doblo 1.9 JTD
Полезу замеры производить.Там чертовски тесно.
Но почему сигнал идет когда двигатель подхватывает, а при отключении форсунок сигналы отсутствуют?
Подточил дпкв схватывать стал лучше, но не запускается .
Свечи не рабочие, может в этом причина, хотя владелец сказал что он в курсе и так 2 года ездил.Но со слов хазяина заглох в движении?
			
									
									
						Но почему сигнал идет когда двигатель подхватывает, а при отключении форсунок сигналы отсутствуют?
Подточил дпкв схватывать стал лучше, но не запускается .
Свечи не рабочие, может в этом причина, хотя владелец сказал что он в курсе и так 2 года ездил.Но со слов хазяина заглох в движении?
Re: Fiat doblo 1.9 JTD
Толкать под попку пробывали ? Или шворочкой потянуть ?
			
									
									
						Re: Fiat doblo 1.9 JTD
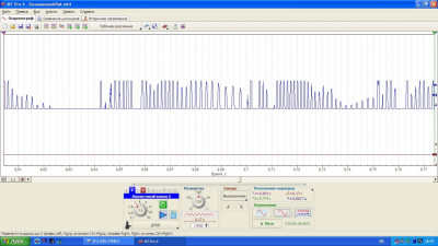
Нет не пробовал, стартер не может помехи фигачить? Снял осцилограму дпкв, дпрв, форсунка, там такая ересь.Это во время прокрутки стартером.
			
									
									
						Кто сейчас на конференции
Сейчас этот форум просматривают: нет зарегистрированных пользователей и 21 гость

