Обновление ChipLoaderNG 3.7.0, подробнее тут: viewtopic.php?f=19&t=11442

Hyundai Tucson

Обсуждение вопросов, связанных с сигнализациями, магнитолами и прочей автомобильной электроникой

Модераторы: blistograd, chipsoft, Robin, karlson

Ответить
Аватара пользователя
wiktor20
Сообщения: 150
Зарегистрирован: Сб янв 01, 2011 10:55 pm
Откуда: староконстантинов

Hyundai Tucson

Сообщение wiktor20 » Вс окт 11, 2020 8:17 pm

Hyundai Tucson 2.0 2007 год бензин.На каком принципе работает датчик коленвала, холла или индукции в некоторых источниках разная информация.Может имеют место в жизни два вида датчиков.Машина не моя.Товарищ приперся, запускается на датчике распредвала, естественно плохо и не развивает обороты, 3000 и отсечка.Установили БУ датчик нормально запустился и уехал через день звонит . опять те же симптомы.Датчик подох и у товарисча родился вопрос, а могет что с проводкой? По схеме датчик запитан от сети 12 вольт третий сигнальный.А может все таки не 12 , а 5 вольт питание?
Двигатель G4GC

Аватара пользователя
kaktus
Сообщения: 263
Зарегистрирован: Чт июл 03, 2008 9:17 am
Откуда: Украина г.Бердянск

Re: Hyundai Tucson

Сообщение kaktus » Вс окт 11, 2020 8:38 pm

Если есть +12 +5 и масса ето датчик Холла :)
Александр

viktor9950
Сообщения: 1580
Зарегистрирован: Вт апр 16, 2019 10:33 pm
Откуда: Россия

Re: Hyundai Tucson

Сообщение viktor9950 » Вс окт 11, 2020 8:45 pm

Примерно проверка так

Аватара пользователя
wiktor20
Сообщения: 150
Зарегистрирован: Сб янв 01, 2011 10:55 pm
Откуда: староконстантинов

Re: Hyundai Tucson

Сообщение wiktor20 » Вс окт 11, 2020 9:26 pm

хрюндай.jpg
Номер 7 это датчик колена и судя из его схематического изображения у меня закрадываются крамольные мысли, не очень то он и похож на датчик холла.А вот номер 4 датчик распредвала похож, чертовски похож на датчик холла.

Аватара пользователя
vento702
Сообщения: 303
Зарегистрирован: Пт дек 26, 2014 5:30 pm
Откуда: Ярославль

Re: Hyundai Tucson

Сообщение vento702 » Вс окт 11, 2020 9:36 pm

wiktor20 Вы встречали хоть раз индуктивный дпкв, на разъём которого подаётся +12 с предохранителя?

viktor9950
Сообщения: 1580
Зарегистрирован: Вт апр 16, 2019 10:33 pm
Откуда: Россия

Re: Hyundai Tucson

Сообщение viktor9950 » Вс окт 11, 2020 9:38 pm

По схеме проверки похож на датчик холла

Аватара пользователя
wiktor20
Сообщения: 150
Зарегистрирован: Сб янв 01, 2011 10:55 pm
Откуда: староконстантинов

Re: Hyundai Tucson

Сообщение wiktor20 » Вс окт 11, 2020 9:43 pm

Нет не встречал, но схема, почему так изображено? viktor9950 спасибо , но я проверял осцилографом и сигнал наблюдал.

Аватара пользователя
kaktus
Сообщения: 263
Зарегистрирован: Чт июл 03, 2008 9:17 am
Откуда: Украина г.Бердянск

Re: Hyundai Tucson

Сообщение kaktus » Пн окт 12, 2020 9:20 pm

wiktor20 писал(а):
Вс окт 11, 2020 9:43 pm
Нет не встречал, но схема, почему так изображено? viktor9950 спасибо , но я проверял осцилографом и сигнал наблюдал.
Вьіложите файл осциллграммьі
Александр

Аватара пользователя
wiktor20
Сообщения: 150
Зарегистрирован: Сб янв 01, 2011 10:55 pm
Откуда: староконстантинов

Re: Hyundai Tucson

Сообщение wiktor20 » Чт окт 15, 2020 9:24 pm

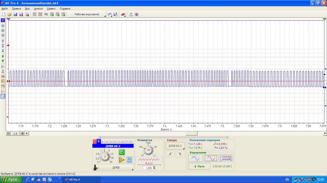
Извините долго не заходил.Вот смотрите.Верхний, осцилограмма с неисправного датчика, нижний с рабочего. наблюдается небольшая разница, как будто датчик изменил полярность.
Вложения
pic_33.jpg
нет запуска
pic_33.jpg
запуск есть

Аватара пользователя
Богдан
Сообщения: 1353
Зарегистрирован: Ср ноя 11, 2009 7:58 pm
Откуда: Украина

Re: Hyundai Tucson

Сообщение Богдан » Пт окт 16, 2020 11:40 am

При измененной полярности дпкв многие котроллеры не синхронизируются.
0954918076,0977796493 Изготовление и продажа тюнинговых прошивок,ремонт систем впрыска любой сложности и многое другое.

Аватара пользователя
wiktor20
Сообщения: 150
Зарегистрирован: Сб янв 01, 2011 10:55 pm
Откуда: староконстантинов

Re: Hyundai Tucson

Сообщение wiktor20 » Пт окт 16, 2020 9:29 pm

Ну да, этой участи не избежали даже некоторые коммутаторы карбюраторных автомобилей.
Какого черта он изменил полярность?

Ответить

Кто сейчас на конференции

Сейчас этот форум просматривают: нет зарегистрированных пользователей и 16 гостей