Обновление ChipLoaderNG 3.7.0, подробнее тут: viewtopic.php?f=19&t=11442

Обновление ChipLoader 2.16.0

Вопросы и темы по загрузчику ChipLoader

Модератор: chipsoft

Olegator
Сообщения: 39
Зарегистрирован: Вт дек 18, 2007 3:30 pm
Откуда: Россия ,Воронежская обл.г.Лиски

Сообщение Olegator » Ср сен 17, 2014 9:36 am

Линур писал(а):
gonta писал(а): Это сейчас про что?Какая ОБД фишка?
Это он наверное про Комбиковский кабель, который идет с этой фишкой для Опенпорта.
так точно, о нем.Кинул времянку на 7 вывод .Проверил на грантовском блоке-все работает.Осталось автору сделать чтение внутреннего eeprom
и добавить чтение паспорта ЭБУ
Последний раз редактировалось Olegator Ср сен 17, 2014 9:39 am, всего редактировалось 1 раз.

Линур
Сообщения: 42
Зарегистрирован: Ср янв 29, 2014 12:35 pm
Откуда: Кукмор.Татарстан

Сообщение Линур » Ср сен 17, 2014 9:38 am

Olegator писал(а):
Линур писал(а):
gonta писал(а): Это сейчас про что?Какая ОБД фишка?
Это он наверное про Комбиковский кабель, который идет с этой фишкой для Опенпорта.
так точно, о нем.Кинул времянку на 7 вывод .Проверил на грантовском блоке-все работает.Осталось автору сделать чтение внутреннего eeprom
А на какой пин на эбу К-Лайн вывел?

Olegator
Сообщения: 39
Зарегистрирован: Вт дек 18, 2007 3:30 pm
Откуда: Россия ,Воронежская обл.г.Лиски

Сообщение Olegator » Ср сен 17, 2014 9:45 am

Линур писал(а):
Olegator писал(а):
Линур писал(а):
gonta писал(а): Это сейчас про что?Какая ОБД фишка?
Это он наверное про Комбиковский кабель, который идет с этой фишкой для Опенпорта.
так точно, о нем.Кинул времянку на 7 вывод .Проверил на грантовском блоке-все работает.Осталось автору сделать чтение внутреннего eeprom
А на какой пин на эбу К-Лайн вывел?
я сделал переключатель на два положения.или на малый или на большлй разьем а номер контакта смотри в хелпе,я на память не помню.

Линур
Сообщения: 42
Зарегистрирован: Ср янв 29, 2014 12:35 pm
Откуда: Кукмор.Татарстан

Сообщение Линур » Ср сен 17, 2014 9:49 am

Olegator писал(а): я сделал переключатель на два положения.или на малый или на большлй разьем а номер контакта смотри в хелпе,я на память не помню.
Понятно спасибо.

Olegator
Сообщения: 39
Зарегистрирован: Вт дек 18, 2007 3:30 pm
Откуда: Россия ,Воронежская обл.г.Лиски

Сообщение Olegator » Ср сен 17, 2014 9:53 am

Линур писал(а):
Olegator писал(а): я сделал переключатель на два положения.или на малый или на большлй разьем а номер контакта смотри в хелпе,я на память не помню.
Понятно спасибо.
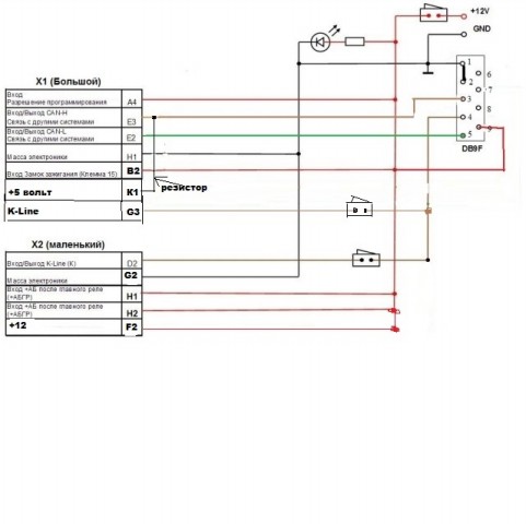
вот такая схема у меня
Вложения
cableM74NEW2.png

rul44
Сообщения: 15
Зарегистрирован: Вт сен 09, 2014 3:29 pm
Откуда: г. Липецк

Сообщение rul44 » Ср сен 17, 2014 2:26 pm

А я ни как не могу запустить 74 CAN. Пишет ошибка 9.

Линур
Сообщения: 42
Зарегистрирован: Ср янв 29, 2014 12:35 pm
Откуда: Кукмор.Татарстан

Сообщение Линур » Сб сен 20, 2014 10:09 pm

Линур писал(а):
chipsoft писал(а):В файле справки описано, куда нужно +5В подать.
Все как в справке подключил, ругается на ошибку 16. Что не так?
Сегодня опять боролся с блоком гранты, вывел к-линию через переключатель на большой и маленький разъемы, бестолку, опять ругается на ошибку 16. Как то мне пришло письмо от тех. поддержки об оновлении САN адаптера, они мне посоветовали выпролнить следующую процедуру, цитирую:
Ко нам уже обратилось много пользователей, по-поводу того, что наш CHIPSOFT J2534 не работает с M74CAN, в не зависимости от загрузчика.

Пришлось углубиться в проблему. Как оказалось, ЭБУ M74CAN имеет особенности аппаратной реализации, из-за чего именно связь с ним по-умолчанию и не устанавливается.

Как решить эту проблему:

1. Найдите на лицевой стороне платы CHIPSOFT J2534 микросхему TJA1050.

2. Найдите резистор 120 Ом (на нем надпись 121) между 6 и 7 ногами этой микросхемы

3. Выпаяйте этот резистор.

После этих манипуляций адаптер будет успешно работать с M74CAN с теми же адаптерами, с которыми работал OpenPort2.

Работа со всеми остальными ЭБУ при выпаянном резисторе будет также успешной. Т.е. запаивать его обратно для работы с каким-то ЭБУ не нужно будет.

С уважением, команда CHIPSOFT
Не эти ли манипуляции мешают мне связаться с ЭБУ?
На данный момент моя схемв выгдядит так:
Вложения
kclcxema~1.jpg

sander
Сообщения: 67
Зарегистрирован: Пт окт 18, 2013 1:09 pm
Откуда: Архангельск

Сообщение sander » Сб сен 20, 2014 10:48 pm

Сегодня прошивал Lifan X60 с MT 22.1. Все прошло замечательно, только в строке состояния, в момент записи, было написано: "чтение адреса", вместо "запись адреса". Это только у меня так ?

Серёга
Сообщения: 988
Зарегистрирован: Сб ноя 14, 2009 3:47 pm
Откуда: Україна, м.Кам'янське.

Сообщение Серёга » Сб сен 20, 2014 11:18 pm

Линур, у тебя схема собрана точно по хелпу, а теперь попробуй немного её переделать, то есть подай ещё +12 ign на J1 в большем разъёме.

Линур
Сообщения: 42
Зарегистрирован: Ср янв 29, 2014 12:35 pm
Откуда: Кукмор.Татарстан

Сообщение Линур » Сб сен 20, 2014 11:20 pm

Серёга писал(а):Линур, у тебя схема собрана точно по хелпу, а теперь попробуй немного её переделать, то есть подай ещё +12 ign на J1 в большем разъёме.
Спасибо огромное, завтра попробую, и по результату обязательно отпишу

Аватара пользователя
Romann43
Сообщения: 715
Зарегистрирован: Вт авг 05, 2014 10:25 pm
Откуда: Кирово-Чепецк

Сообщение Romann43 » Вс сен 21, 2014 7:26 am

У меня так кабель для репрога М74+(CAN) сделан.Два тумблера для переключения на разные пины эбу.
[/img][/url]

Аватара пользователя
st_as
Сообщения: 357
Зарегистрирован: Пн ноя 30, 2009 3:42 pm
Откуда: Ukraine, Poltava

Сообщение st_as » Вс сен 21, 2014 7:27 am

sander писал(а):Сегодня прошивал Lifan X60 с MT 22.1. Все прошло замечательно, только в строке состояния, в момент записи, было написано: "чтение адреса", вместо "запись адреса". Это только у меня так ?
Модуль пишет только измененные области прошивки. Модуль читает адрес с ЭБУ, сравнивает с буфером программы, если есть различия - переписывает эту область, ели нет - оставляет без изменений. Таким методом добились самой безопасной записи.

De-nys
Сообщения: 403
Зарегистрирован: Пт апр 27, 2012 3:07 pm
Откуда: Тамбов

Сообщение De-nys » Пн сен 22, 2014 9:15 am

sander писал(а):Сегодня прошивал Lifan X60 с MT 22.1. Все прошло замечательно, только в строке состояния, в момент записи, было написано: "чтение адреса", вместо "запись адреса". Это только у меня так ?
Денис говорил, что так и должно быть, т.к. загрузчик сверяет содержимое блока и прошивки, и пишет только если есть отличия, потому и в основном и "чтение адреса" отображается, это нормально

sander
Сообщения: 67
Зарегистрирован: Пт окт 18, 2013 1:09 pm
Откуда: Архангельск

Сообщение sander » Пн сен 22, 2014 4:52 pm

Спасибо за разъяснения и отдельно Денису за такой загрузчик.

Dronn
Сообщения: 13
Зарегистрирован: Пн сен 29, 2014 6:45 pm
Откуда: Россия,Кубань

Сообщение Dronn » Вт сен 30, 2014 10:10 am

Подскажите у кого как решилась проблема с подключением М74CAN .
Перепробовал три разных подключения через Openport 2.0 ,выдает ошибку16,а с обычным блоком М74 все соединяется.Все что в этой теме сказано переделал,блок отдал на проверку-пишется и читается.Может
Openport 2.0 по CAN не работает,как проверить???

Ответить

Кто сейчас на конференции

Сейчас этот форум просматривают: нет зарегистрированных пользователей и 20 гостей