Обсуждаются вопросы, связанные со всевозможным железом, использующемся для чип-тюнинга и диагностики (K-Line алаптеры, дилерское оборудование,...)
	Модераторы: blistograd, chipsoft
			
		
		
			- 
				
																			
								Виталя Нежин							 
									
		- Сообщения: 59
 		- Зарегистрирован: Сб дек 11, 2010 12:07 am
 		
		
											- Откуда: Нежин
 
							
						
		
		
						
						
													
							
						
									
						Сообщение
					
								 Виталя Нежин » Чт янв 30, 2014 6:16 pm
			
			
			
			
			Pashkovskiy65 писал(а):Виталя Нежин писал(а):А почему соединение происходит по вагтулу??? а по вагкому нет?
А где написано, что адаптер обязан работать с этой программой?
 
Вопрос был ни где написано,а почему он не заходит вовсе доступные блоки кроме двигателя и арбега.
И так вопрос решил. Может кому то и понадобится 
Открываем програму vag com 311 или другую, заходим в опции там есть вкладка start baud по умолчанию там стоит "0" ставим "9600" вкл. зажигание нажимаем тест потом сохранить и все заходим в блок двигателя и радуемся. Но есть один момент в другие блоки вы не зайдете. Нужно опять поставить в  start baud "0"- тест-сохранить. 
Да на авто котором делал испытания Л- линия ненужна ее просто нету в розетке на авто.
 
			
									
									
						 
		 
				
		
		 
	 
	
				
		
		
			- 
				
								chipsoft							
 
						- CHIPSOFT.RU
 			
		- Сообщения: 8317
 		- Зарегистрирован: Вс дек 18, 2005 1:23 pm
 		
		
											- Откуда: Украина, Киев
 
							
						
		
		
						
						
													
							
						
									
						Сообщение
					
								 chipsoft » Чт янв 30, 2014 10:50 pm
			
			
			
			
			Это наверное вопрос лучше адресовать к разработчикам программы ВАГКОМ.
			
									
									CHIPSOFT J2534 Pro: 5 CAN BUS, 1 SWCAN, 8 KLine, 5 - 20V Voltage generator
Онлайн магазин CHIPSOFT: shop.chipsoft.com.ua
						 
		 
				
		
		 
	 
	
				
		
		
			- 
				
																			
								kusha							 
									
		- Сообщения: 3
 		- Зарегистрирован: Пт дек 20, 2013 8:24 pm
 		
		
											- Откуда: россия
 
							
						
		
		
						
						
													
							
						
									
						Сообщение
					
								 kusha » Ср апр 23, 2014 9:22 am
			
			
			
			
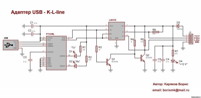
			Получил новый адаптер k-line от chipsoft. В микросхеме L9637D задействована 8 ножка поддерживающая L линию. Поддерживает новый адаптер L линию?
			
									
									
						 
		 
				
		
		 
	 
	
				
		
		
			- 
				
																			
								Toropov							 
									
		- Сообщения: 223
 		- Зарегистрирован: Ср окт 01, 2014 8:55 pm
 		
		
											- Откуда: Москва
 
							
						
		
		
						
						
													
							
						
									
						Сообщение
					
								 Toropov » Сб окт 04, 2014 9:37 pm
			
			
			
			
			Подскажите, у кого-нибудь слетал драйвер с K-Line адаптера? При подключении адаптера идет установка и пишет не удалось установить драйвер.
			
									
									
						 
		 
				
		
		 
	 
	
				
		
		
			- 
				
								Romann43							
 
									
		- Сообщения: 715
 		- Зарегистрирован: Вт авг 05, 2014 10:25 pm
 		
		
											- Откуда: Кирово-Чепецк
 
							
						
		
		
						
						
													
							
						
									
						Сообщение
					
								 Romann43 » Вс окт 05, 2014 3:43 pm
			
			
			
			
			Toropov писал(а):Подскажите, у кого-нибудь слетал драйвер с K-Line адаптера? При подключении адаптера идет установка и пишет не удалось установить драйвер.
В диспетчере устройств адаптер определяется?Может попробовать обновить или откатить драйвер.Сколько юсб портов в компьютере?Попробуй в другой порт воткнуть(может плохой электрический контакт просто)
 
			
									
									
						 
		 
				
		
		 
	 
	
				
		
		
			- 
				
								Romann43							
 
									
		- Сообщения: 715
 		- Зарегистрирован: Вт авг 05, 2014 10:25 pm
 		
		
											- Откуда: Кирово-Чепецк
 
							
						
		
		
						
						
													
							
						
									
						Сообщение
					
								 Romann43 » Вс окт 05, 2014 3:47 pm
			
			
			
			
			kusha писал(а):Получил новый адаптер k-line от chipsoft. В микросхеме L9637D задействована 8 ножка поддерживающая L линию. Поддерживает новый адаптер L линию?
Без дополнительных двух транзисторов L линия функционировать не будет,даже если задействована 8 ножка 9637
 
							
					- 
						Вложения
					
 
											- 
			
				
			
 
					
		
		
		
		
			 
									
			
									
									
						 
		 
				
		
		 
	 
	
				
		
		
			- 
				
								chipsoft							
 
						- CHIPSOFT.RU
 			
		- Сообщения: 8317
 		- Зарегистрирован: Вс дек 18, 2005 1:23 pm
 		
		
											- Откуда: Украина, Киев
 
							
						
		
		
						
						
													
							
						
									
						Сообщение
					
								 chipsoft » Вс окт 05, 2014 4:28 pm
			
			
			
			
			Л-Линия не поддерживается в нашем КЛайн адаптере.
			
									
									CHIPSOFT J2534 Pro: 5 CAN BUS, 1 SWCAN, 8 KLine, 5 - 20V Voltage generator
Онлайн магазин CHIPSOFT: shop.chipsoft.com.ua
						 
		 
				
		
		 
	 
	
				
		
		
			- 
				
																			
								Toropov							 
									
		- Сообщения: 223
 		- Зарегистрирован: Ср окт 01, 2014 8:55 pm
 		
		
											- Откуда: Москва
 
							
						
		
		
						
						
													
							
						
									
						Сообщение
					
								 Toropov » Вс окт 05, 2014 10:01 pm
			
			
			
			
			Я всё перепробовал. В деспечере он отображается,но как устройство без драйвера. При установке драйвера с сайта установка отключается. Так как будто нет данного устройства. Ни о кого нет отдельного драйвера,который устанавливается при первом подключении адаптера к компьютеру.
			
									
									
						 
		 
				
		
		 
	 
	
				
		
		
			- 
				
																			
								Серёга							 
									
		- Сообщения: 987
 		- Зарегистрирован: Сб ноя 14, 2009 3:47 pm
 		
		
											- Откуда: Україна, м.Кам'янське.
 
							
						
		
		
						
						
													
							
						
									
						Сообщение
					
								 Серёга » Вс окт 05, 2014 10:14 pm
			
			
			
			
			Если перепробовал всё, а адаптер не установился, знач перепробовал не всё  

 . Зайди на официальный сайт ФТДИ и скачай драйвер под свою систему (32 или 64 бит) это если адаптер действительно от Чипсофта. Может быть ваш дилер комплектует загрузчик какими то другими адаптерами?
 
			
									
									
						 
		 
				
		
		 
	 
	
				
		
		
			- 
				
																			
								Toropov							 
									
		- Сообщения: 223
 		- Зарегистрирован: Ср окт 01, 2014 8:55 pm
 		
		
											- Откуда: Москва
 
							
						
		
		
						
						
													
							
						
									
						Сообщение
					
								 Toropov » Вс окт 05, 2014 11:20 pm
			
			
			
			
			Адаптер оригинальный. Две недели назад получил вместе с программой из Украины. Отработав две недели при очередной диагностике при подключении адаптера он снова начал установку драйвера. и закончилось неудачей. Пробовал подключать на другом компьютере-всё так же. Скачал FTDI драйвер с оф. сайта. Было написано,что всё успешно установлено,но адаптер не работает.
							
					- 
						Вложения
					
 
											- 
			
				
			
 
					
		
		
		
		
			 
									
			
									
									
						 
		 
				
		
		 
	 
	
				
		
		
			- 
				
								chipsoft							
 
						- CHIPSOFT.RU
 			
		- Сообщения: 8317
 		- Зарегистрирован: Вс дек 18, 2005 1:23 pm
 		
		
											- Откуда: Украина, Киев
 
							
						
		
		
						
						
													
							
						
									
						Сообщение
					
								 chipsoft » Вс окт 05, 2014 11:43 pm
			
			
			
			
			Судя по скрину проблема в драйверах. До проверки работоспособности адаптера дело не дошло. Что у вас за Виндовс? А то периодически возникют проблемы у пользователей, у которых из Виндовс выброшено "все лишнее".
			
									
									CHIPSOFT J2534 Pro: 5 CAN BUS, 1 SWCAN, 8 KLine, 5 - 20V Voltage generator
Онлайн магазин CHIPSOFT: shop.chipsoft.com.ua
						 
		 
				
		
		 
	 
	
				
		
		
			- 
				
																			
								Серёга							 
									
		- Сообщения: 987
 		- Зарегистрирован: Сб ноя 14, 2009 3:47 pm
 		
		
											- Откуда: Україна, м.Кам'янське.
 
							
						
		
		
						
						
													
							
						
									
						Сообщение
					
								 Серёга » Вс окт 05, 2014 11:56 pm
			
			
			
			
			Toropov писал(а):Адаптер оригинальный. Две недели назад получил вместе с программой из Украины. Отработав две недели при очередной диагностике при подключении адаптера он снова начал установку драйвера. и закончилось неудачей. quote]
А случайно проводки от юсб-шнурка в корпусе адаптера не оторвались?А то что-то сильно похоже на это.
 
			
									
									
						 
		 
				
		
		 
	 
	
				
		
		
			- 
				
																			
								Toropov							 
									
		- Сообщения: 223
 		- Зарегистрирован: Ср окт 01, 2014 8:55 pm
 		
		
											- Откуда: Москва
 
							
						
		
		
						
						
													
							
						
									
						Сообщение
					
								 Toropov » Пн окт 06, 2014 12:11 am
			
			
			
			
			Виндос XP. Но я на другом компе пробовал с семёркой. Всё так же. Шнур с CHIPSOFT J2534 адаптером работает нормально.
			
									
									
						 
		 
				
		
		 
	 
	
				
	
				
		
		
			- 
				
																			
								Серёга							 
									
		- Сообщения: 987
 		- Зарегистрирован: Сб ноя 14, 2009 3:47 pm
 		
		
											- Откуда: Україна, м.Кам'янське.
 
							
						
		
		
						
						
													
							
						
									
						Сообщение
					
								 Серёга » Пн окт 06, 2014 12:31 am
			
			
			
			
			Прошу прощения, просто у меня адаптер старого образца, я думал и у тебя такой же. Так вот на старых адаптерах со временем в юсб шнурке отрывался один из проводков - и приветик Обнаружено неизвестное устройство. При установке оборудования возникли проблемы и оно типа работает неправильно.
			
									
									
						 
		 
				
		
		 
	 
	
	
	
	
		Кто сейчас на конференции
		Сейчас этот форум просматривают: нет зарегистрированных пользователей и 24 гостя