Форум по чиптюнингу. Прошивки, программы, методы работы.
Модераторы: blistograd, chipsoft, Robin, karlson
-
getbmah
- Сообщения: 72
- Зарегистрирован: Вс авг 02, 2015 8:16 pm
- Откуда: Днепр
Сообщение
getbmah » Ср авг 05, 2015 12:09 pm
injektor писал(а):Кондер при 0.2В и не включится, должно быть 1.5-3.5В.
да, не включится, но чек бы погас или хотя бы ошибка должна была смениться на нечто типа "недостаточное давление фреона в системе"
В общем я буду разбирать блок и проверять везде контакты
-
injektor
- Сообщения: 703
- Зарегистрирован: Пн июн 09, 2008 6:06 pm
- Откуда: UA, Александрия
Сообщение
injektor » Ср авг 05, 2015 12:45 pm
По какой ошибке погас бы чек... У вас обрыв цепи реле и эта ошибка не погаснет пока не устраните неисправность. "недостаточное давление фреона в системе"- где вы такое видели, в маске ошибок или флагах комплектации. Вы же сами в редакторе активировали реле кондера и должны были видеть, что там такого нет. А еще в программных опциях нужно активировать - "включение вентилятора по включению кондиционера".
Компьютерная диагностика, ремонт, чип-тюнинг. Изготовление, привязка чип-ключей и брелков к авто...
тел. 066 7763335
-
injektor
- Сообщения: 703
- Зарегистрирован: Пн июн 09, 2008 6:06 pm
- Откуда: UA, Александрия
Сообщение
injektor » Чт авг 06, 2015 7:53 pm
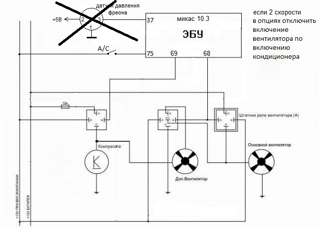
Сегодня выдалось время поэксперементировать с 10.3+ и включением кандера. Сварганил вот такую схему и по ней подпаялся на плату ЭБУ. Все включается и работает. При выборе в программных опциях:
Вариант запроса кондиционера
0 - вход DCNS (контакт 75) - включается при подаче +12В на 75ногу.
1 - инвертированный вход DCNS - включается при подаче массы на 75ногу.
2 - контроль напряжения на входе 37 - все время включается при пуске авто
При выборе в программных опциях:
Выбор контакта второго вентилятора
0 - нет вентилятора
1 - контакт 11
2 - контакт 29
3 - контакт 49
Второй вентилятор не включается ни по одному контакту. Датчика давления не видит и на уровень входа не реагирует. По видимому 111софт не поддерживат датчика давления и второго вентилятора.
Позже поэсперементирую с ножками на ЭБУ с 151 софтом. Не захотел с 113 делать 114, на сколько я знаю обратно потом никак, а паятся с другим блоком некогда было.
-
Вложения
-

Компьютерная диагностика, ремонт, чип-тюнинг. Изготовление, привязка чип-ключей и брелков к авто...
тел. 066 7763335
-
injektor
- Сообщения: 703
- Зарегистрирован: Пн июн 09, 2008 6:06 pm
- Откуда: UA, Александрия
Сообщение
injektor » Чт авг 06, 2015 8:11 pm
mark10 писал(а):Вот схема с кондиционером!

Ок спасибо это оно. Эксперименты с 151 софтом отпадают. Все ножки по управлению кандером совпадают как я себе и нарисовал. А как оно работает я проверял на авто с двумя вентиляторами как на вашей схеме. Вместо датчика давления ставил ДПДЗ и наблюдал как в зависимости от давления ведут себя вентиляторы и компрессор.
Я думаю, что эта информация пригодится многим. Напряжение на датчике давления:
ниже 0.5-1В кандер не включается
1-3.5В влючается компрессор и низкая скорость вент.
3.5-4.5В включается повышенная скорость вентилятора
выше 4.5В компрессор и вентиляторы отключаются.
Вот только на моей схеме 68 и 29 ноги надо наверное местами поменять. Нужно проверить в работе...
-
Вложения
-
- 2 вых. вентилятора 2 скорости.zip
- (335.93 КБ) 242 скачивания
Компьютерная диагностика, ремонт, чип-тюнинг. Изготовление, привязка чип-ключей и брелков к авто...
тел. 066 7763335
-
getbmah
- Сообщения: 72
- Зарегистрирован: Вс авг 02, 2015 8:16 pm
- Откуда: Днепр
Сообщение
getbmah » Чт авг 06, 2015 9:26 pm
injektor писал(а):Сегодня выдалось время поэксперементировать с 10.3+ и включением кандера. Сварганил вот такую схему и по ней подпаялся на плату ЭБУ. Все включается и работает. При выборе в программных опциях:
Вариант запроса кондиционера
0 - вход DCNS (контакт 75) - включается при подаче +12В на 75ногу.
1 - инвертированный вход DCNS - включается при подаче массы на 75ногу.
2 - контроль напряжения на входе 37 - все время включается при пуске авто
При выборе в программных опциях:
Выбор контакта второго вентилятора
0 - нет вентилятора
1 - контакт 11
2 - контакт 29
3 - контакт 49
Второй вентилятор не включается ни по одному контакту. Датчика давления не видит и на уровень входа не реагирует. По видимому 111софт не поддерживат датчика давления и второго вентилятора.
Позже поэсперементирую с ножками на ЭБУ с 151 софтом. Не захотел с 113 делать 114, на сколько я знаю обратно потом никак, а паятся с другим блоком некогда было.
У меня на славуте нет второго вентилятора. А первый включается наполовину либо на полную в зависимости от давления без подключения к мозгам, с помощью универсального датчика давления. Поэтому мне подключение к мозгам нужно с одной единственной целью - поднятие оборотов ХХ.
Сегодня купил клеммы для колодки мозгов поменьше, чем прошлые. Без колодки они одеваются достаточно жестко. Контакт явно должен быть. Но толку пока нет. Наверно придется разбирать сам ЭБУ
-
injektor
- Сообщения: 703
- Зарегистрирован: Пн июн 09, 2008 6:06 pm
- Откуда: UA, Александрия
Сообщение
injektor » Чт авг 06, 2015 10:01 pm
Уважаемый, getbmah. Это не для вас было написано, а просто изучено поведения 111 софта с кондером. То что вам нужно, отправил вам в личку еще утром, с включением вентилятора по включению кондея(1 скорость) и включение вентилятора по температуре(2 скорости, как выше на схеме). А вы уж выберите, что вам подходит больше. И схему выложенную выше по которой все включается и работает при подаче +12В на 75 ногу(проверено). При этом 68 ногу(стандартный выход вентилятора) подключайте куда и как хотите. Датчик давления не нужен. При включении кондея подымаются обороты ХХ на заданную величину(проверено).
Компьютерная диагностика, ремонт, чип-тюнинг. Изготовление, привязка чип-ключей и брелков к авто...
тел. 066 7763335
-
injektor
- Сообщения: 703
- Зарегистрирован: Пн июн 09, 2008 6:06 pm
- Откуда: UA, Александрия
Сообщение
injektor » Пт авг 07, 2015 7:27 pm
Посмотрел только что фото. Ножки подписаны не правильно. Это ряд 6-24, а 63-81 с другой стороны. 69 это на самом деле 12. И что ты хотел увидеть на многослойке?
Компьютерная диагностика, ремонт, чип-тюнинг. Изготовление, привязка чип-ключей и брелков к авто...
тел. 066 7763335
-
injektor
- Сообщения: 703
- Зарегистрирован: Пн июн 09, 2008 6:06 pm
- Откуда: UA, Александрия
Сообщение
injektor » Пт авг 07, 2015 7:41 pm
getbmah писал(а):У меня на славуте нет второго вентилятора. А первый включается наполовину либо на полную в зависимости от давления без подключения к мозгам, с помощью универсального датчика давления. Поэтому мне подключение к мозгам нужно с одной единственной целью - поднятие оборотов ХХ.
Зачем тогда ввесь этот гиморой с 69 выходом. Отключаешь ошибку по реле кондиционера и все. Потратил сегодня еще немного времени после работы на эсперимент. И выяснил, что в твоем случае нужно включить реле кондера в комплектации и не включать реле кондера в ошибках. Все прекрасно работает. При подачи +12В на 75ногу ЭБУ кондер типа включается, подымаются обороты на ХХ и включается вентилятор если активирован по вкл. кондея. При этом чек не сияет. Ваш вариант. А то что не получается, то я думаю не к тем ножкам подключаетесь...
Компьютерная диагностика, ремонт, чип-тюнинг. Изготовление, привязка чип-ключей и брелков к авто...
тел. 066 7763335
-
getbmah
- Сообщения: 72
- Зарегистрирован: Вс авг 02, 2015 8:16 pm
- Откуда: Днепр
Сообщение
getbmah » Чт авг 13, 2015 8:20 pm
Наконец-то удалось побороть блок
сегодня поставили прошивку, подправленную
injektor. Кроме того, вместо клеммы в колодку я запхал иголку - и все заработало. ХХ поднимается, чек не горит. Вывод - в предыдущей прошивке не было задано поднятие ХХ плюс каким-то боком клемма не контачит в колодке. Почему, мне еще предстоит разобраться. Но самое главное, что оно заработало. Теперь можно его включить как положено через 69 ногу, ведь на ней управляющий минус появляется не сразу, а с задержкой на пару секунд с тем, чтоб мотор успел поднять ХХ перед включением компрессора.
Огромное спасибо всем за помощь и особенно уважаемому
injektor!
-
getbmah
- Сообщения: 72
- Зарегистрирован: Вс авг 02, 2015 8:16 pm
- Откуда: Днепр
Сообщение
getbmah » Вт авг 18, 2015 9:21 am
Однако я немного поторопился с чеком... Дальнейшие эксперименты показали, что он не горит только когда я включаю кондиционер, то есть только при подаче +12 В на 75 ногу. Как только я кондер выключаю, чек загорается снова и горит постоянно (ошибка 1530 цепи управления реле кондиционера). Цепь собрана полностью как положено, по картинке, с реле; все работает. Кто-нибудь в курсе, как мозги определяют неисправность цепи? Они ведь не могут отследить, воткнута ли клемма физически в колодку
-
Вложения
-

-
injektor
- Сообщения: 703
- Зарегистрирован: Пн июн 09, 2008 6:06 pm
- Откуда: UA, Александрия
Сообщение
injektor » Вт авг 18, 2015 10:35 am
У вас реле кондиционера что нибудь включает или просто как нагрузка что б не было чека?
Мозги определяют обрыв цепи. По видимому там плохой контакт. Если реле ни чем не управляет выше я написал, что сделать.
Компьютерная диагностика, ремонт, чип-тюнинг. Изготовление, привязка чип-ключей и брелков к авто...
тел. 066 7763335
-
Серёга
- Сообщения: 988
- Зарегистрирован: Сб ноя 14, 2009 3:47 pm
- Откуда: Україна, м.Кам'янське.
Сообщение
Серёга » Вт авг 18, 2015 10:37 am
Эта схема неправильная. Реле НИКОГДА не может двумя ногами обмотки уходить в ЭБУ. Это если угодно, правило. А тут - пожалуйста, между 75 и 69 ногами контроллера стоит обмотка реле. Когда кондиционер выключен - на обмотке пропадает +12, и эбу естественно, фиксирует обрыв цепи в реле. На одной стороне обмотки реле всегда должен быть +12, второй конец соединяется с управляющей ногой контроллера. В этом случае ошибки не будет.
-
injektor
- Сообщения: 703
- Зарегистрирован: Пн июн 09, 2008 6:06 pm
- Откуда: UA, Александрия
Сообщение
injektor » Вт авг 18, 2015 10:38 am
SA3 это у вас что? Если собрано по этой схеме и SA3 будет розмыкаться то будет загораться чек.
Компьютерная диагностика, ремонт, чип-тюнинг. Изготовление, привязка чип-ключей и брелков к авто...
тел. 066 7763335
Кто сейчас на конференции
Сейчас этот форум просматривают: нет зарегистрированных пользователей и 14 гостей